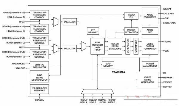
The TDA19977A; TDA19977B is a three input HDMI 1.4a compliant receiver with embedded EDID memory. The built-in auto-adaptive equalizer, improves signal quality and allows the use of cable lengths of up to 25 m which are laboratory tested with a 0.5 mm (24 AWG) cable at 2.05 gigasamples per second. The HDCP (TDA19977A only) key set is stored in non-volatile OTP (One Time Programmable) memory for maximum security. In addition, the TDA19977A; TDA19977B is delivered with software drivers to ease configuration and use.
Select Features and Benefits
Complies with the HDMI 1.4a, DVI 1.0, CEA-861-D and HDCP (TDA19977A only)1.4 standards
Three independent HDMI inputs, up to the HDMI frequency of 205 MHz
Embedded auto-adaptive equalizer on all HDMI links
EDID memory: 253 shared bytes and three bytes dedicated to each HDMI input
Supports color depth processing (8-bit, 10-bit or 12-bit per color)
Complies with the HDMI 1.4a, DVI 1.0, CEA-861-D and HDCP (TDA19977A only)1.4 standards
Three independent HDMI inputs, up to the HDMI frequency of 205 MHz
Embedded auto-adaptive equalizer on all HDMI links
EDID memory: 253 shared bytes and three bytes dedicated to each HDMI input
Supports color depth processing (8-bit, 10-bit or 12-bit per color)
Color gamut metadata packet with interrupt on each update, readable via the I²C-bus
Up to four S/PDIF or I²S-bus outputs (eight channels) at a sampling rate up to 192 kHz with IEC 60958/IEC 61937 stream
HBR audio stream up to 768 kHz with four demultiplexed S/PDIF or I²S-bus outputs
HBR streams (compatible with DTS-HD master audio and Dolby TrueHD up to eight channels due to HBR packet for stream with a frame rate up to 768 kHz) support
DSD and DST audio stream up to six DSD channels output for SACD with DST audio packet support
Channel status decoder supports multi-channel reception
Improved audio clock generation using an external reference clock
System/master clock output (128/256/512 × fs) enables the use of the UDA1334BTS
.jpg)
|